• Portfolio
  • About
  • Resume
Aedhan Loomis
  • Portfolio
  • About
  • Resume

3D Printing Internship

2013

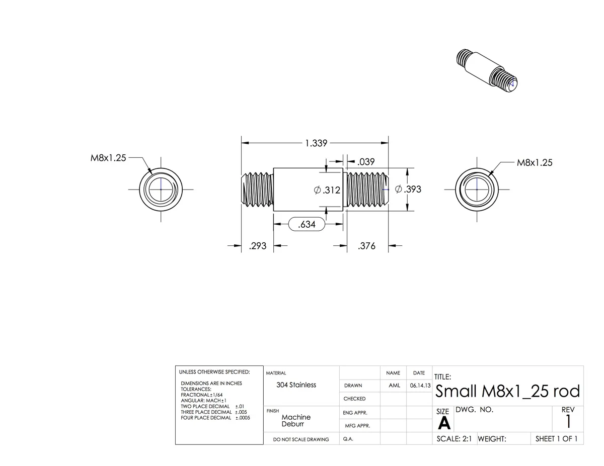
While working at Tink, now Senvol, LLC,  I researched and developed various business models that would allow for the implementation of 3D printing and on-demand CNC manufacturing into modern supply chains. I created diagarms to help convey potential business models to investors and advisors. It shows the overall goal of the business while providing more detail if the reader is interested. 

I researched applications of and learned how to use many different 3D printers by visiting service bureaus, distributors, and attending conferences such as RAPID and AD&M.

Additionally, I manufactured parts in order to compare quality, cost, and time of different processes.

Company
Senvol, Inc.

Software
SolidWorks, Adobe Illustrator

Skills
Design for 3D printing, Design for Manufacturability, Business Development, Graphic Design

AedhanLoomis_Tink1.jpg
AedhanLoomis_Tink2.jpg
AedhanLoomis_Tink3.jpg
AedhanLoomis_Tink4.jpg
AedhanLoomis_Tink5.jpg
AedhanLoomis_Tink6.jpg
AedhanLoomis_Tink7.jpg
AedhanLoomis_Tink8.jpg

© Aedhan Loomis 2025